| DS采样器(サンプリング器) |
|
DSA采样器是大野(南通)机械设备有限公司研制的新型采样器。安装于主管路一侧,形成支路。它具有结构紧凑,操作简单方便的特点,在管道中不留残液,使采集到的样品更加精确。同时排空口有卡套,可方便地连接管子,排出的废气进入收集罐中,防止污染,更加环保。
DSA采样器,由不锈钢材料制成(采样瓶除外),主要由手柄、压盖、填料、填料函、阀针、阀体、取样瓶等组成。
DSA采样器,安装在需要采样的主管道旁边,形成支路,并用外径为6mm的管子与放空口相连,将此连接到废气收集罐 ,防止废气境。当采样时,污染环轻轻旋动手柄,带动阀针向上提起,阀门打开,观察放料情况,当采样瓶中物料达到所需量时,旋动手柄,将阀针降下,阀门关闭。在此过程中,切忌用力过大,以免破坏密封面,引起泄漏。然后旋下采样瓶,盖紧瓶盖,完成采样。 |
| 大野机械新产品解决了原来产品使用过程中物料残留问题。 |
|
安装:水平安装
取样出口 : ø 8 mm 取样瓶连接:快速接口排气口 : G¼
操作机构 : 手轮 阀体材质 : 304/316L
轴密封 : PTFE 阀座密封: PTFE
法兰标准:HG20592 DN25 PN1.6
温压范围 :-20/+120°C |
|
连接取样器和取样瓶
安装 :水平安装
|
 |
型号 |
规格 |
联接方式 |
适用温度 |
DSA-L 螺纹连接
DSA-F 法兰连接 |
DN15 DN20 DN25
PN1.6;PN2.0
PN2.5;PN4.0
PN5.0;PN6.4 |
螺纹连接
法兰连接 |
-20至200 |
|
| 螺纹连接 |
法兰连接 |
 |
 |
|
 |
|
| DSB型采样器参考日本技术制造,适用于石油、化工装置中对管道内工艺状况的各种介质,尤其是有毒、有害、易燃、易爆等危害性的中、低压气、液介质的无泄露采样。样品真实性强,无残液、残气排放。符合国家环保、安全规范的要求。大野机械已在国内石油化工工艺装置、如渣油加氢、重油催化,气体分馏等装置中采用,获得了一致好评。 |
|
| DSB型在线式采样器,主要由应急阀、传动丝杆、阀体、丝杆支架、手柄、柱塞、出液管(采气接头)、密封组件及联接法兰组成,由于柱塞贯穿于阀体及联接法兰之中,保证了每次采到真实样品,也消除了凝堵的因素。 |
|
(1)将贮样瓶瓶口对准采样器的出液管口。
(2)逆时针方向慢慢旋转采样器手柄至出液口流出介质为止。
(3)等样品采足后,立即顺时针方向旋转采样器手柄至丝杆全部旋入为止。 |
|
| 1、DSB-A型液体在线式采样器 |
 |
|
型号 |
规格 |
联接方式 |
适用温度 |
DSB-A-L 螺纹连接
DSB-A-F 法兰连接
DSB-A-H 焊接连接 |
DN15 DN20 DN25
PN1.6;PN2.0
PN2.5;PN4.0
PN5.0;PN6.4 |
螺纹连接
法兰连接 焊接连接 |
-20至200 |
|
| 2、DSB-B型液体在线式采样器 |
|
型号 |
规格 |
联接方式 |
适用温度 |
DSB-B-L 螺纹连接
DSB-B-F 法兰连接
DSB-B-H 焊接连接 |
DN15 DN20 DN25
PN1.6;PN2.0
PN2.5;PN4.0
PN5.0;PN6.4 |
螺纹连接
法兰连接
焊接连接 |
-20至425 |
|
| 3、DSB-C型气体在线式采样器 |
|
型号 |
规格 |
联接方式 |
适用温度 |
DSB-C-L 螺纹连接
DSB-C-F 法兰连接
DSB-C-H 焊接连接 |
DN15 DN20 DN25
PN1.6;PN2.0
PN2.5;PN4.0
PN5.0;PN6.4 |
螺纹连接
法兰连接
焊接连接 |
-20至425 |
|
 |
 |
|
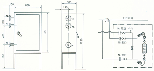
| 主要由箱体、采样瓶、缓冲罐、快换手轮、压力表、阀门、密封件及法兰组成。由于采样瓶与工艺管之间用带有快换手轮连接,因此,操作简单、迅速、方便。 |
| ■型号1 |
| DSC-A型液体在线式采样器 |
| ■适用范围 |
| 适用于各种有毒、有害、易燃、易爆等各种液体介质的采样。 |
| ■技术参数 |
| 采样温度:-20—60℃,设计压力:0~10.0Mpa,采样量:100ml |
 |
| 注:N1、N2、N3管口为DN15 PN1.6~10.0 |
| ■型号2 |
| DSC-B型液体密闭式采样器 |
| ■适用范围 |
| 适用于各种有毒、有害、易燃、易爆等各种液体介质的采样。 |
| ■技术参数 |
| 采样温度:-20~400℃,设计压力:0~10.0Mpa,采样量:100ml |
 |
| 注:N1、N2、N3管口为DN15 PN1.6~10.0,N4、N5、N6管口为DN20 PN1.6 |
| ■型号3 |
| DSC-C型气体密闭式采样器 |
| ■适用范围 |
| 适用于各种有毒、有害、易燃、易爆等各种气体介质的采样。 |
| ■技术参数 |
| 使用温度:-20~50℃,设计压力:0~10.0Mpa,采样量:200ml~500m1 |
 |
| 注:N1、N2、N3、N4管口为DN15 PN1.6~10.0 |
| ■型号4 |
| DSC-D型气体密闭式采样器 |
| ■适用范围 |
| 适用于各种有毒、有害、易燃、易爆等各种气体介质的采样。 |
| ■技术参数 |
| 采样温度:-20~400℃,设计压力:0~10.0MPa,采样量:200ml一500m1 |
 |
| 注:N1、N2、N3、N4管口为DN15 PN1.6~10.0;N5、N6、N7管口为DN20 PN1.6 |
 |
 |
 |
 |
 |
 |